|
技術參數 |
|
測量范圍:(300~6000)mm |
|
工作溫度:(-30~120)℃
|
|
工作壓力:0.6MPa、1.0MPa、1.6 MPa、2.5 MPa
|
|
介質密度:≥(0.5-2.0)g/cm3
|
|
注:密度<0.8 g/cm3DN100
|
|
觸點容量:220V AC/24V DC 0.5A
|
|
接點壽命:5×102次
|
|
防爆標志:本安型:ibIICT5
|
|
隔爆型:dIIBT5
|
|
電氣接口:M20×1.5內螺紋
|
|
過程連接:法蘭連接DN100
|
|
法蘭標準:HG20593-20635-97
|
|
注:其它法蘭標準或連接方式請用戶注明
|
|

|
|
|
產品選型編碼 |
|
UHC-51D
|
□
|
不銹鋼304,316,316L
|
接液材質
|
|
□
|
防腐型PP,PVC
|
|

|
|
Q
|
本安型:ibIICT5
|
防爆形式
|
|
B
|
隔爆型:dIIBT5
|
|
T
|
配隔離安全柵
|
|
|
□
|
(0~120)℃
|
工作溫度
|
|
|
□
|
0.6MPa、1.0MPa、2.5 MPa
|
工作壓力
|
|
|
□
|
g/cm3
|
介質密度
|
|
|
□
|
單位mm
|
訂貨長度
|
|
|
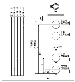
1
|
1個浮球多點控制
|
控制點數可帶記憶功能
|
|
2
|
2個浮球控制
|
|
3
|
3個浮球控制
|
|
4
|
4個浮球控制
|
|
N
|
N個浮球控制
|
|
|
L1=mm下下限,下降接通
|
注:根據控制點數分別注明L1、L2、L3、L4并注明上升接通或下降接通
|
|
L2=mm下限,下降接通
|
|
L3=mm上限,上升接通
|
|
L4=mm上上限,上升接通
|
|
□
|
|
法蘭規格
|
|
|
|
|
UHC-51D □ □ □ □ □ □ □ □
|
|
|
|
|